وب سایت
خانه
درباره ما
کاتالوگ ها
ورود
ثبت نام
خانه
کاتالوگ ها
گروهها
طرحها
📐 طرحهای فنی
1 طرح
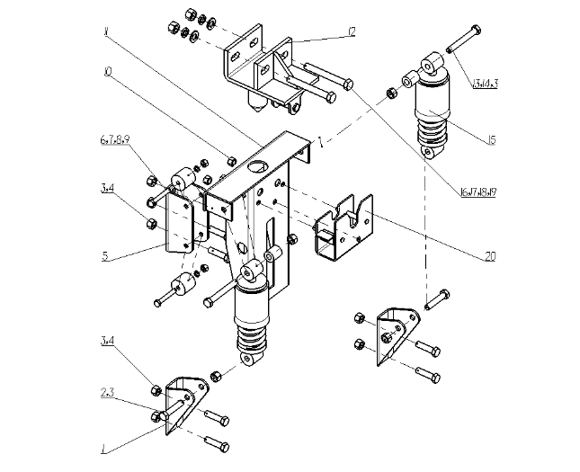
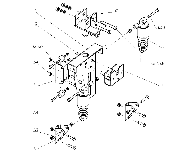
SC11341441002 - نمودار سیستم تعلیق عقب
مجموعه تعلیق عقب
اطلاعات طرح:
part_number:
SC11341441002
type:
suspension_sys…